Магазин запчастей для бытовой техники - Arlos
Москва
close
Выберите ваш регион
АбаканАлександровАльметьевскАнгарскАрзамасАрмавирАртемАрхангельскАстраханьАчинскБалаковоБалашихаБеларусьБелгородБердскБерезникиБийскБлаговещенскБратскБрянскВеликий НовгородВидноеВладивостокВладикавказВладимирВолгоградВолгодонскВолжскийВологдаВолховВоркутаВоронежВоскресенскВыборгГатчинаГеленджикГрозныйДедовскДербентДзержинскДзержинскийДимитровградДмитровДолгопрудныйДомодедовоДонецкЕвпаторияЕгорьевскЕкатеринбургЕлецЕссентукиЖелезногорскЖелезнодорожныйЖуковскийЗеленоградЗлатоустИвановоИвантеевкаИжевскИркутскИстраЙошкар-ОлаКазаньКалининградКалугаКаменск-УральскийКамышинКаспийскКемеровоКерчьКировКисловодскКлинКовровКоломнаКомсомольск-на-АмуреКопейскКоролёвКостромаКотельникиКрасногорскКраснодарКраснознаменскКрасноярскКурганКурскКызылЛенинск-КузнецкийЛипецкЛобняЛыткариноЛюберцыМагнитогорскМайкопМалаховкаМахачкалаМиассМоскваМурманскМуромМытищиНабережные ЧелныНазраньНальчикНаро-ФоминскНахабиноНаходкаНевинномысскНефтекамскНефтеюганскНижневартовскНижнекамскНижний НовгородНижний ТагилНовокузнецкНовокуйбышевскНовомосковскНовороссийскНовосибирскНовоуральскНовочебоксарскНовочеркасскНовошахтинскНовый УренгойНогинскНорильскНоябрьскОбнинскОдинцовоОктябрьскийОмскОрелОренбургОрехово-ЗуевоОрскПавловский ПосадПензаПервоуральскПермьПетрозаводскПетропавловск-КамчатскийПодольскПрокопьевскПсковПушкиноПятигорскРаменскоеРеутовРостов-на-ДонуРубцовскРыбинскРязаньСакиСалаватСамараСанкт-ПетербургСаранскСаратовСевастопольСеверодвинскСеверскСергиев ПосадСерпуховСимферопольСмоленскСосновый БорСочиСтавропольСтарый ОсколСтерлитамакСтупиноСургутСызраньСыктывкарТаганрогТамбовТверьТихвинТольяттиТомилиноТомскТроицкТулаТюменьУлан-УдэУльяновскУссурийскУсть-ИлимскУфаУхтаФеодосияФрязиноХабаровскХанты-МансийскХасавюртХимкиЧебоксарыЧелябинскЧереповецЧеркесскЧеховЧитаШахтыЩелковоЭлектростальЭлистаЭнгельсЮжно-СахалинскЯкутскЯлтаЯрославль
  • - бесплатно по РФ
    Автоперезвон. Работает по принципу: Вы позвонили на номер, мы сбрасываем звонок и перезваниваем через 3 секунды.
  • - по Москве
  • 8 (925) 663-83-63

Call-центр

пн-вс: 10:00-19:00

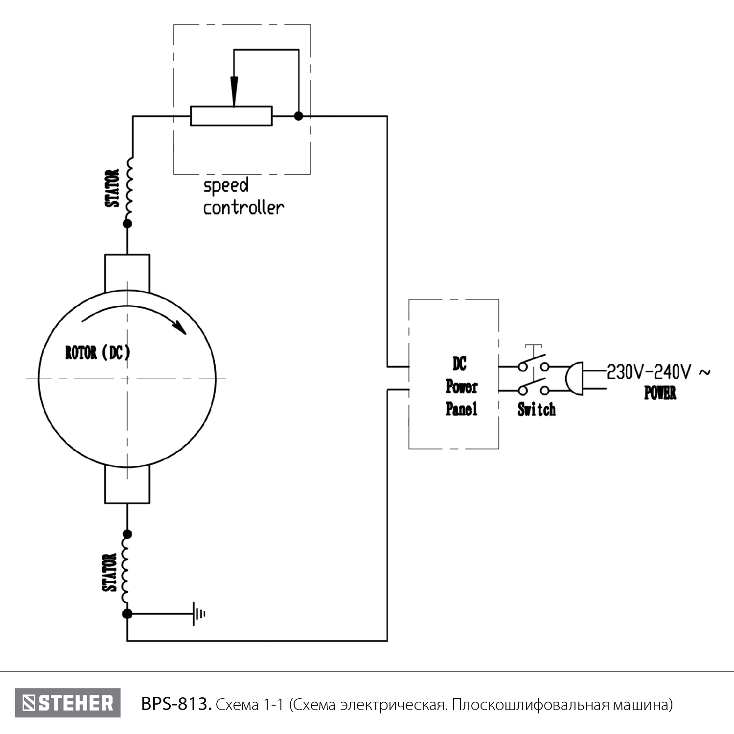
Бесщеточная плоскошлифовальная машина BPS-813

Данная модель имеет несколько схем

NАртикулНазваниеСрок отгрузкиЦенаКупить
T10 U009-600-0RS Подшипник шариковый 6000-2RS (26х10х8) U009-600-0RS для пил ПД-55, ПЦ-2240 306 р.
3 N000-040-454 Площадка шлифовальная 80х133
5 N000-040-455 Платформа 80х133 237 р.
6 N000-040-437 Штифт D2х5
7 N000-040-438 Шпиндель
8 N000-040-439 Прокладка
9 N000-040-416 Прокладка резиновая D20хd12х1.5
10 N000-040-417 Кольцо стопорное D28
11 N000-006-273 Подшипник шариковый 6206-2RS (62х30х16) LFB 779 р.
12 N000-040-456 Эксцентрик
13 N000-040-441 Крыльчатка
15 N000-040-442 Втулка подшипника 6000 резиновая
16 N000-040-443 Опора пружинная
17 N000-040-444 Корпус двигателя
18 N000-040-421 Ротор АД
19 N000-040-422 Статор АД
20 V000-004-630 Блок электронный регулятор оборотов
21 N000-040-433 Втулка кнопки
22 N000-040-432 Прокладка фетровая 17х19.5х8
23_40 N000-040-445 Корпус в сборе левая и правая часть (EV23.40) 560 р.
26 N000-009-109 Подшипник шариковый 698-2RS (19х8х6) Outdo 169 р.
27 V000-004-631 Плата электронная датчика Холла
30 V000-006-407 Шнур сетевой H05RN-F Rubber 2Gх0.75мм2 6м
31 N000-040-446 Рычаг включения
33 N000-040-423 Магнит цилиндрический D3х3
34 N000-040-447 Пружина рычага
35 V000-004-632 Блок плавного пуска с защитой от перегрузки
36 N000-040-457 Накладка верхняя
37 N000-040-428 Линза
38 N000-040-449 Патрубок пылеотводный
39 N000-040-450 Адаптер 1
42 N000-040-451 Адаптер 2
43 N000-040-452 Адаптер 3
44 N000-040-453 Шланг
Найдено товаров: 34
1
▲ Наверх
0
8 (925) 663-83-63

Call-центр

пн-вс: 10:00-19:00

НАЙТИ ПО МОДЕЛИ
Введите номер заказа
Введите номер своего заказа, что бы узнать его текущий статус.
Что бы получить доступ к расширенным функциям, пройдите не сложную регистрацию. Зарегистрироваться